CAPACITACIÓN

PLC ALLEN BRADLEY

PLC ALLEN BRADLEY

AUTOMATIZACIÓN INDUSTRIAL MEDIANTE PLC ALLEN BRADLEY

Icono de Clases

CLASES

Sábado o Domingo

DURACIÓN

30 horas

HORARIO

9 am - 3 pm CST

En total son 5 clases (Sábado o Domingo) totalmente en vivo que se transmiten por ZOOM y además, quedan grabadas y esas grabaciones se suben a un aula virtual para que puedas verlas posteriormente las veces que quieras por tiempo indefinido, por si no puedes asistir en vivo.

Al finalizar recibe: 3 constancias con validez oficial en toda la República Mexicana.

➤ Reconocimiento por parte de nuestra empresa CIATSOFTWARE S. A. DE C.V.
Constancia de Habilidades Laborales DC-3
➤ Constancia por Secretaria de Trabajo y Previsión Social (STPS)
Constancia por Secretaria de Trabajo y Previsión Social (STPS)
➤ Constancia de Habilidades
Laborales DC-3
Reconocimiento por parte de nuestra empresa CIATSOFTWARE S. A. DE C.V.

Además de una plataforma ligada a tu matrícula única donde podrás validar tus constancias y ver toda tu trayectoria profesional con nosotros.

Inversión
Economica MXN

Inversión Normal:

$ 6,500.00 mxn

Contamos con un DESCUENTO DE PROMOCION de:

$ 2,000 mxn

(Aplican Restricciones)

Así es que sólo inviertes:

$ 4,500 mxn

Es 100% práctico, se basa en Control Discreto (Digital - ON/OFF).

NO SE REQUIERE CONOCIMIENTO PREVIO

Ya que comienza desde cero para que puedas ir avanzando poco a poco hasta obtener conocimientos más avanzados.

Se proporcionan los entornos de programación:
RSLOGIX 500 PRO, FACTORYTALK Y RSLINX CLASSIC

allen bradley

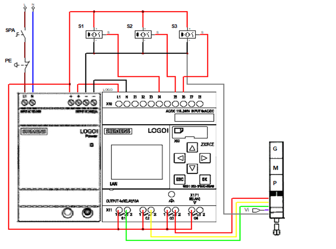
12 prácticas durante el curso, y cada una incluye el diagrama de conexión del PLC.

plc
plc

Estos son algunos temas que veremos durante la Capacitación:

Icono Control de Eventos Discretos

Icono Control Analógico

Icono Diseño Interfaces Hombre-Máquina

Entre semana agendamos sesiones especiales para que puedas transferir todas tus prácticas a nuestros tableros de control y apoyarte con tus dudas.

DESDE CUALQUIER PARTE DE LA REPÚBLICA.

Al finalizar el programa de capacitación, sabrás programar PLCs con lenguaje Ladder, utilizando: Métodos que puedes aplicar de manera estándar para distintas marcas de PLC

omron
siemens
allen
schneider
festo

Empezamos desde el uso del software Rslogix-500, la configuración básica, la lógica combinacional y secuencial, además de usar metodologías las cuales te sirven para programar cualquier tipo de PLC, realizamos control Proporcional, PI y PID, utilizando el escalado de señales analógicas, además de eso puedes observar que realizamos interfaces hombre máquina para monitorear y supervisar los procesos

DESDE EL MOMENTO DE TU INSCRIPCIÓN SE TE BRINDA ACCESO AL AULA VIRTUAL PARA DESCARGAR LOS SOFTWARE DEL CURSO.

REGÍSTRATE PARA APARTAR TU LUGAR

Envía los siguientes datos para obtener una matrícula y el precio de promoción:

Nombre completo
Edad
Ciudad
Teléfono (WhatsApp)
Correo
CURP

ALGUNOS TESTIMONIOS

T1
TESTIMONIO2
TESTIMONIO3

¿Tienes dudas?

RECIBE ATENCIÓN PERSONALIZADA

burbuja-de-dialogo_ciat